2022年9月19日,a漫
孟鑫副研究员、蒋璐岭、贺明智教授、王学庆副研究员及西安交通大学刘进军教授在国际著名期刊《IEEE Transactions on Power Electro-
nics》发表了“A Novel Multi-Scale Frequency Regulation Method of Hybrid Rectifier and Its Specific Application in Electrolytic Hydrogen Production”,论文提出基于混合整流器实现大容量电解制氢负荷参与系统多时间、多功率、多能量尺度频率调节的新型控制方法。
A Novel Multi-Scale Frequency Regulation Method of Hybrid Rectifier and Its Specific Application in Electrolytic Hydrogen Production
Xin Meng, Luling Jiang, Mingzhi He, Xueqing Wang, Jinjun Liu
1
【研究背景】
基于可再生能源电解制氢可实现氢气从生产到利用全过程零碳排放,符合国家“双碳”目标,但是可再生能源电解制氢系统中各单元均通过电力电子设备接入系统交流母线,系统转动惯量不足,且可再生能源发电波动性强,亟需有效的频率调节措施提升系统频率稳定性。电解制氢负荷中电解堆栈容量大、响应速度快、功率灵活可调,是天然的可提供调频能量的物理资源,但由于现有电解制氢整流器的局限性,无法充分发挥其调频能力。
2
【论文解决问题及意义】
论文基于团队前期所提出的混合整流器拓扑结构,深入探讨了大容量电解制氢负荷参与系统多时间、多功率、多能量尺度频率调节的可行性,并基于实验室规模电解制氢实验平台进行了验证。
3
【论文重点内容】
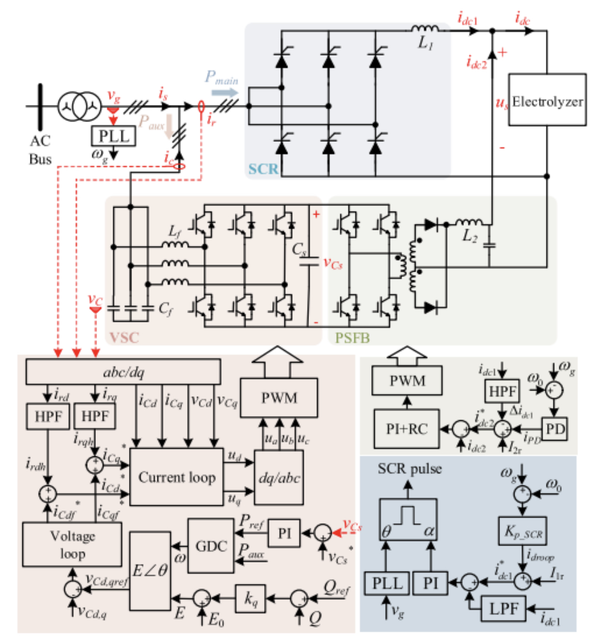
为了充分发挥大容量电解制氢负荷的调频潜力,论文提出一种用于电解制氢负荷的混合整流器协调控制方法,其中晶闸管整流器通过建立系统角频率和触发角之间的下垂关系,实现一次调频;辅助变换器通过调节流经自身的制氢功率为系统提供虚拟惯量和阻尼,减缓系统频率变化速度,为晶闸管整流器进行一次调频赢得时间。混合整流器拓扑结构与关键控制思路参见图1与图2。

图1 混合整流器拓扑与控制结构

图2调频过程中混合整流器等效输出调频功率原理图
4
【结论】
论文通过对混合整流器中各变换器的协调控制,重塑电解制氢负荷特性,实现多时间、多功率、多能量尺度频率调节,提高系统频率稳定性。
5
【作者及团队介绍】

孟鑫
博士,副研究员/硕导
研究方向为新能源电解制氢与微电网变换器协调控制
目前以第一作者或通讯作者发表SCI及EI索引论文20余篇,其中包括ESI高被引论文1篇,授权及受理电解制氢相关专利多项。主持国家自然科学基金1项,新能源电解制氢相关横向课题2项,a漫
博士后研发基金2项,参与多项电解制氢重大横向课题研究。担任IEEE PES Transmission & Distribution Satellite Committee-China, Distribution Subcommittee 常务理事,及著名国际期刊IEEE Transactions on Power Electronics,IEEE Transactions on Sustainable Energy等审稿人。
a漫
电力电子变换与控制研究团队研究领域主要涉及(超)大功率智慧电力能源装备、优质供电关键技术与核心装备、高功率密度变换器拓扑及控制技术研究,智能状态监测及用户侧节能应用,具体包括晶体新材料制备、电解制氢、等离子加热等;基于飞轮储能载体以及PCS电力电子方案;微网运行及控制;配电网状态检测及能耗分析、电能质量信号检测及分析装置及储能等应用领域。团队现有教授2人,副教授4人,研究生30余人,团队规模逐年扩大。团队研究注重理论与工业应用相结合,已发表论文131余篇,含SCI收录论文48篇,累计影响因子237.4,已授权专利38项,受理专利16项,专著7本,相关研究成果逐渐导入工业化量产。
6
【原文链接】(复制后浏览器打开)
//ieeexplore.ieee.org/stamp/stamp.jsp?tp=&arnumber=9894698